| 제목 | 답변완료 종속전원이 포함된 1차회로 | ||
|---|---|---|---|
| 질문유형 | 학습방법 | 교수님 | 양진목 |
| 과목 | 회로이론 | 강좌명 | |
| 작성자 | 권*서 (r***********1) | 등록일 | 2025-06-08 02:43 |
| 첨부파일 | |||
|
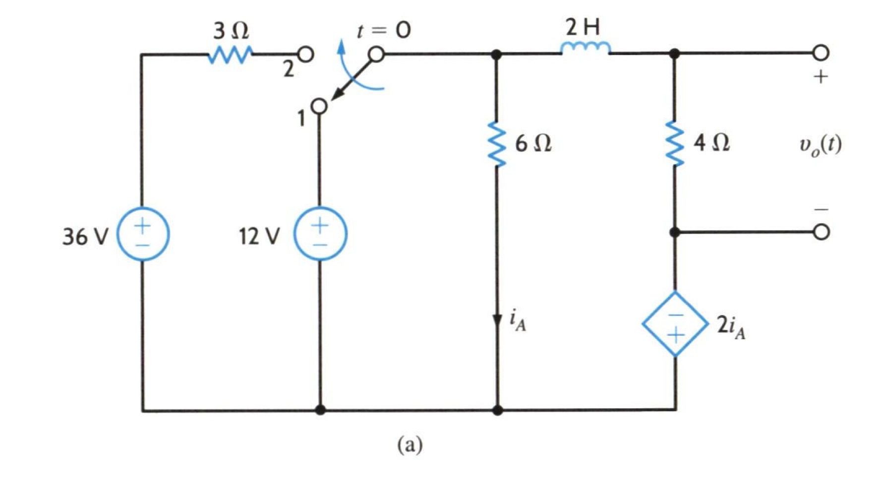
안녕하세요 교수님. 교수님 회로이론 강의를 수강하고 있는 학생입니다. 학교 시험을 준비하고 있는데 1차 회로 중 종속 전원이 포함된 회로가 있더라구요. 이럴 때는 어떻게 해결해야할 지 여쭤보고자 질문 드립니다. 혹시 몰라서 회로 사진도 첨부하여 보겠습니다.
종속 전원이 포함되지 않았을 때는 초기값, 최종값, 시상수를 구해 문제에서 구하고자 하는 값들의 식을 도출했었는데, 종속 전원이 회로에 존재하는 경우에도 동일한 틀로 문제를 해결하면 될 지와, 종속 전원이 회로에 존재할 경우 등가저항이나 등가 커패시터, 인덕턴스를 구할 때 어떻게 처리해야 할 지 잘 모르겠어서 질문 드립니다 ! 답변 완료된 질문과 답변은 수정 및 삭제가 불가합니다. |
|||
- 댓글
- 0
양*목
교수님
안녕하세요. 양진목입니다.
종속전원이 있는 경우도 종속전원이 없는 경우와 동일하게 초기값, 최종값, 시상수의 순서로 계산하면 됩니다.
그런데 종속전원이 있으면 회로를 단순하게 만들기 어렵기 때문에 문제에서 구해야 하는 것이 커패시터전압이나 인덕터전류와 같이 연속성이 보장되는 변수가 아닌 경우는 초기값, 최종값, 시상수를 구할 때 각각 회로방정식을 세워서 풀어야 합니다.(과정이 매우 복잡합니다.)
그리고 Ceq, Req, Leq 등을 구하는 경우 일반적으로 C, L은 한개만 존재하므로 C 또는 L에서 나머지 회로를 바라보았을 때의 테브넌 등가저항을 구하면 이것이 Req입니다.
첨부하신 회로를 제가 풀면 과제대행 등의 문제가 발생할 수 있으므로 닐슨책에 있는 비슷한 문제를 푸는 과정을 첨부하오니 참고하시기 바랍니다.(문제에서는 vo를 구하라고 하였으나 iΔ를 구하는 문제로 바꾸어서 풀었습니다.) 질문하신 문제도 이와 동일한 방식으로 풀 수 있습니다.
[문제]

[풀이]

답변이 되었는지 모르겠습니다.
그럼 안녕히계세요.
- 2025-06-09
























